OKM935

FCC ID

Equipment:

Clearlink Communications LLC 935

34 Franklin Street, Suite S-703, Nashua, NH 03060 United States

Application
Frequency Range
Final Action Date
Granted
cvf9cFtF+lOgDFvqAH5WBA==
462.5625-467.7125
2000-02-23
APPROVED
File NameDocument TypeDateDirect
Transmitter AlignmentParts List/Tune Up Info 2000-02-23 00:00:00 pdf
External PhotosExternal Photos 2000-02-23 00:00:00 pdf
Users ManualUsers Manual 2000-02-23 00:00:00 pdf
Test ReportTest Report 2000-02-23 00:00:00 pdf
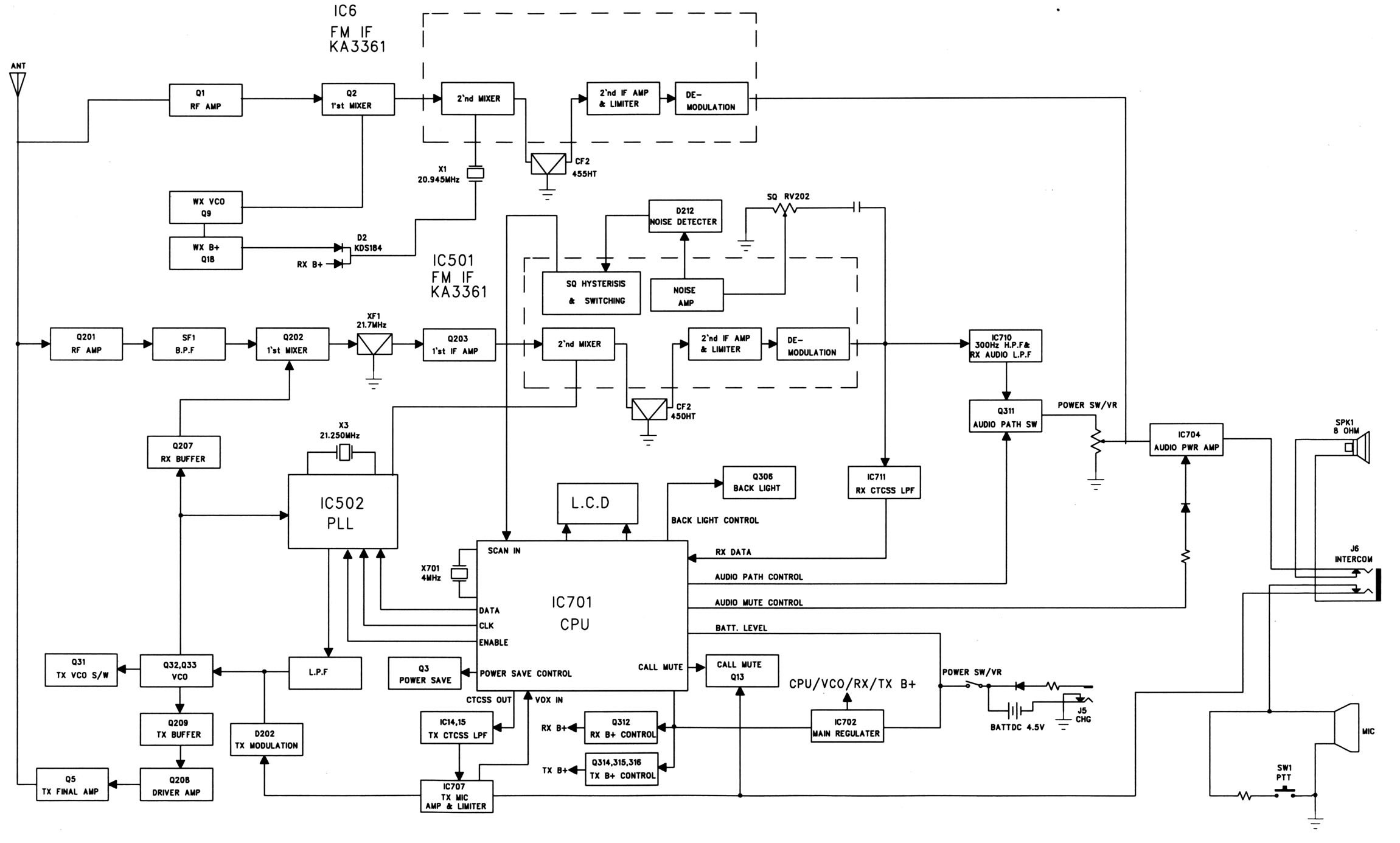
Block Diagram 1 of 1Block Diagram 2000-02-23 00:00:00 jpeg
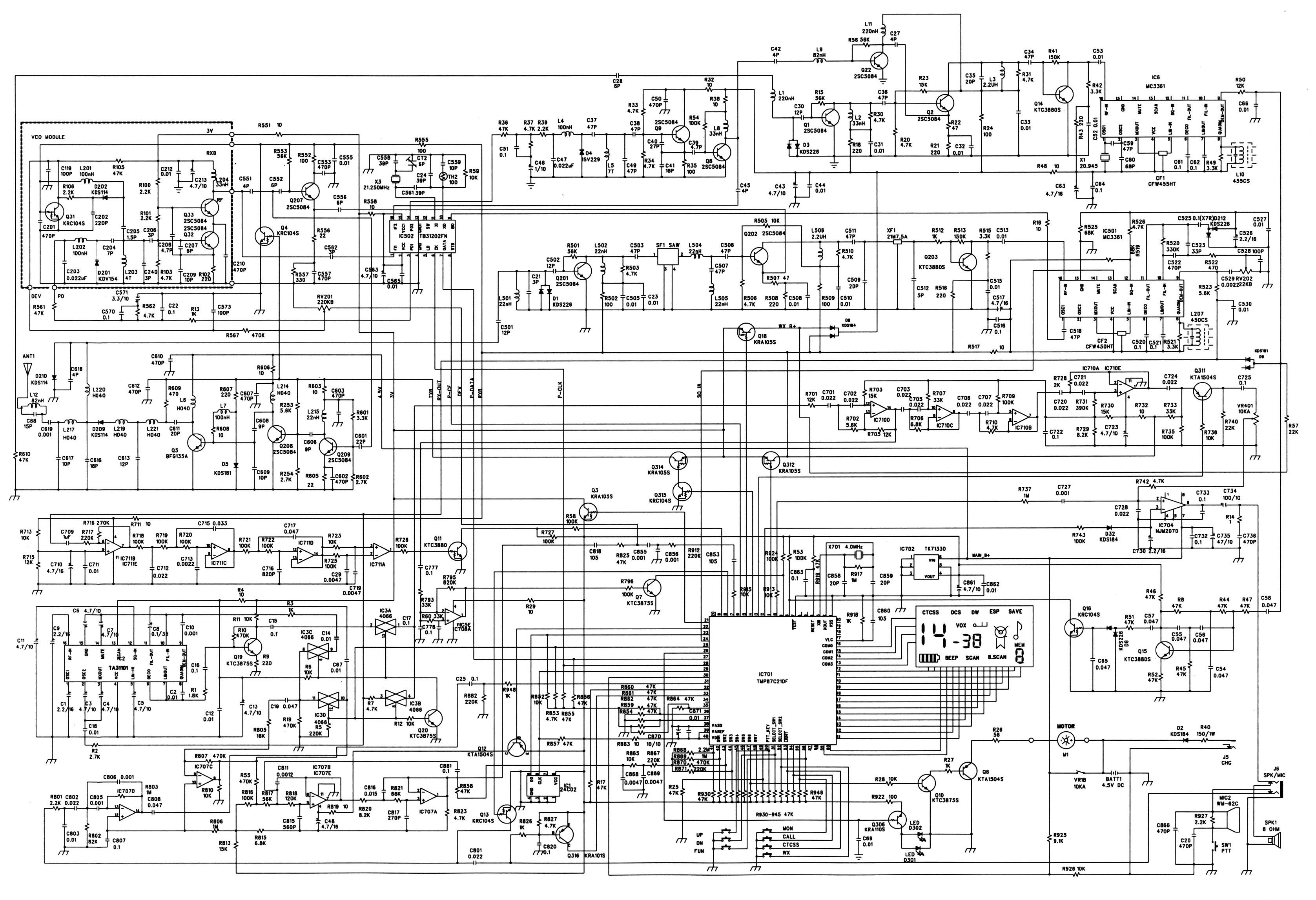
Schematic Diagram 1 of 1Schematics 2000-02-23 00:00:00 jpeg
Internal PhotosInternal Photos 2000-02-23 00:00:00 pdf
ID Label and LocationID Label/Location Info 2000-02-23 00:00:00 jpeg

Application Details:

Equipment
FRN
Grantee CodeOKM
Product Code935
Applicant BusinessClearlink Communications LLC
Business Address34 Franklin Street, Suite S-703 , Nashua,New Hampshire United States 03060
TCB Scope
TCB Email
ApplicantKaren T. Hatcher – Vice President
Applicant Phone
Applicant Fax603-595-5280
Applicant Email
Applicant MailStop
Test FirmHyak Laboratories, Inc.
Test Firm ContactRowland Johnson
Test Firm Phone
Test Firm Fax
Test Firm Email
Certified ByRowland S. Johnson – President

© 2025 FCC.report
This site is not affiliated with or endorsed by the FCC